جدول اشتال چیست؟ جدول اشتال یک کتابچه کوچک و پرکاربرد است که هر دانشجو، مهندس عمران و یا مجری ساختمان به آن نیاز دارد و میتوان از این جدول محبوب بهعنوان جعبهابزار مهندسین ساختمان نام برد. طراحان و مجریان ساختمان با مراجعه به این جداول و استفاده از اطلاعات دقیق و مطابق استاندارد، علاوه بر صرفهجویی در زمان، دقت کار را تا حدود زیادی افزایش داده و خطای محاسبات را کاهش میدهند.
در این مقاله با تاریخچه اشتال، روش استفاده از جدول اشتایل کامل و پارامترهای جدول اشتعال آشنا خواهید شد و در انتهای مطلب نیز میتوانید به راحتی جدول اشتال pdf را دانلود کنید.
جدول اشتال یا جدول اشتایل چیست؟
همانطور که در ابتدای مقاله گفتیم، جدول اشتال یک جدول بسیار پرکاربرد است که اکثرا مهندسین عمران، دانشجوهای رشتههای عمرانی و مجریهای ساختمانی به آن نیاز پیدا میکنند؛ جدول اشتال یک جدول استاندارد وزن و دیگر مشخصات انواع مقاطع فولادی است که در ادامه به صورت کاملتری با این جدول و تاریجچه آن آشنا خواهید شد. همچنین این جدول به اشتباه با نام های جدول اشتایل و جدول اشتعال نیز شناخته میشود.
با تاریخچه جدول اشتال آشنا شوید
قبل از دانلود جدول اشتال کامل باید با تاریخچه و نحوه استفاده از آن آشنا باشید. نام جدول اشتال از نام نویسنده آن یعنی خانم مارتا اشنایدر بورگر اتخاذ شده است. این خانم که اولین مهندس ساختمان زن در آلمان بود، در سال 1938 یعنی حدود 80 سال پیش با جمعآوری اطلاعات دقیق و استاندارد، جدول اشتال را تدوین نمود. جدول اشتال یک کتاب با نام STAHLBAU PROFILE است که امروزه اکثر افراد به صورت فایل pdf قابل دانلود از آن استفاده میکنند. محتوای این کتاب یا فایل pdf حاوی ضخامت مساحت سطح مقطع و سایر مشخصات استاندارد انواع مقاطع فولادی، مواد اولیه نوع اتصال و مقررات ساخت و سازهای فولادی است.
جدول اشتال کامل شامل چه مباحثی است؟
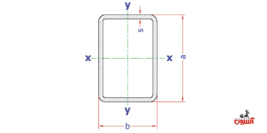
به نظر شما کتاب جدول اشتایل شامل چه مباحثی است؟ این کتاب شامل جدوالی از مشخصات هندسی مهمترین پروفیلهای ساختمانی تحت استاندارد DIN آلمان است. ازآنجاکه پروفیلهای ساختمانی در ایران نیز تحت استاندارد DIN آلمان تولید میشوند، جدول اشتال در کشور ما نیز اهمیت زیادی دارد. مشخصات انواع مقاطع فولادی نورد شده که در جدول اشتال به آنها اشاره شده، شامل: سطح مقطع پروفیل، ممان اینرسی، اساس مقطع، شعاع ژیراسیون، وزن واحد طول پروفیل و ... است. تمام پارامترهای بهکاررفته در جداول با علائم اختصاری نشان داده میشوند که پارامترهای مستقیم روی شکل پروفیل در بالای هر جدول نمایش داده شده است.
در زیر بخشی از از جداول اشتال مربوط به تیرآهن IPE نشان داده شده است.

فهرست مهمترین جداول موجود در کتاب جدول اشتایل
- جدول قطر، سطح مقطع و وزن مخصوص میلگرد ساده و آجدار مسلح کننده موجود در ایران یا همان جدول اشتعال میلگرد
- جدول نیروی پایین به بالا در صفحات تقسیم فشار (بیس پلیت) برحسب قطر ورق و میزان نیرو
- جدول اشتال تیرآهنهای ردیف آی باریک (INP) لبه گوشت دار
- جدول اشتال تیرآهن ipb یا تیرآهنهای ردیف آی بالپهن
- جدول اشتال تیرآهنهای ردیف آی بالپهن (IPB) آینتس (یک) نیمه سبک
- جدول اشتال پروفیلهای نبشی نورد شده بال مساوی
- جدول اشتال پروفیلهای نبشی نورد شده بال مساوی سنگین (ادامه)
- جدول اشتال پروفیلهای سپری نورد شده
- جدول اشتال پروفیلهای ناودانی نورد شده
- جدول اشتال تیرآهنهای لانهزنبوری (معمولی لانهزنبوری شده)
- جدول اشتال تیرآهنهای لانهزنبوری (با تیرآهن بالپهن)
- جدول اشتال تیرآهنهای لانهزنبوری (با تیرآهن نیمه بالپهن آی پی ای)
- جدول اشتال تیرآهنهای لانهزنبوری (با برش ایرانی)
- جدول مشخصات مکانیکی پروفیلهای توخالی نورد شده (دایره و چهارگوش)
- جداول DIN و اشتال پروفیلهای توخالی گرد سنگین و نیمه سنگین
- جدول اشتال قوطی پروفیل
- جدول اشتال نبشی
- جدول اشتال سپری
کاربرد جدول اشتعال چیست؟
کاربرد جدول اشتال معمولا برای فعالان بازار متفاوت از مهندسین است؛ منظور از فعالان بازار، کسانی هستند که به خریداران آهن و فولاد مشاوره میدهند. اما کاربرد جدول اشتال برای مهندسان و دانشجویان دسترسی به اطلاعاتی مثل فاصله محورها، محور خمش و ممان اینرسی مربوط به محصولات مختلف است.
با برخی از مهمترین پارامتر های جدول اشتال کامل آشنا شوید
h: ارتفاع پروفیل
d: قطر
p: محیط
b: عرض پروفیل
s: ضخامت جان
r: شعاع کنج اتصال جان و بال
c: ضخامت ماهیچه
h-2c: ارتفاع جان
A: مساحت مقطع
G: وزن واحد طول
e: فاصله مرکز سطح تا سطح بیرونی
Tan a :زاویه بین محورهای اصلی مقطع
I: ممان اینرسی حول محورهای مقطع
S: اساس مقطع حول محورهای مقطع
r: شعاع ژیراسیون حول محورهای مقطع
اساس مقطع در جدول اشتال
Ix : ممان اینرسی حول محور x-x
Sx : اساس مقطع حول محور x-x
rx : شعاع ژیراسیون حول محور x-x
Iy : ممان اینرسی حول محور y-y
Sy : اساس مقطع حول محور y-y
ry : شعاع ژیراسیون حول محور y-y
Iz : ممان اینرسی حول محور z-z
rz : شعاع ژیراسیون حول محور z-z
In : ممان اینرسی حول محور n-n
Sn : اساس مقطع حول محور n-n
rn : شعاع ژیراسیون حول محور n-n
Xm : فاصله مرکز برش تا مرکز سطح
a1 : فاصله دو پروفیل برای مساوی شدن ممان اینرسی ها
Aa : مساحت مقطع در محل های پیوسته
Ixa : ممان اینرسی در محل های پیوسته
Sxa : اساس مقطع در محل های پیوسته
Ab : مساحت مقطع در محل مرکز سوراخ
Ixb : ممان اینرسی در محل مرکز سوراخ
Sxb : اساس مقطع در محل مرکز سوراخ
boltDs : قطر بدنه پیچ (Min-Max)
boltS : فاصله دو سمت صاف کله پیچ (Min-Max)
boltE : فاصله دو گوشه کله پیچ (Min-Max)
boltK : ضخامت کل کله پیچ (Min-Max)
boltK1 : ضخامت کله پیچ
boltDw : قطر واشر
boltC : ضخامت واشر (Min-Max)
boltB1 : طول ناحیه رزوه شده
boltB2 : طول ناحیه رزوه شده
boltXb : ماکزیمم طول ناحیه رزوه در قسمت انتقال

معرفی مهمترین مقاطع ذکر شده در جدول اشتال
- گروه تیرآهنها شامل IPE تیر I شکل نیم پهن،IPB تیر I شکل بالپهن،INP تیر I شکل باریک، که نمره هر تیرآهن با ارتفاع آن مشخص میشود. مثلاً IPE80 اندیس 80 نشاندهنده ارتفاع مقطع به مقدار 80 میلیمتر است.
برای آشنایی بیشتر با جدول اشتال تیرآهن،
اینجا کلیک کنید.
- گروه ناودانیها UNP شامل ناودانی با بالهای دارای سطوح داخلی شیبدار و ناودانی بالهای موازی
- گروه نبشیها شامل نبشیهای بال مساوی و نامساوی که برای مثال در نبشی L30*20*3، اندیسها به ترتیب طول بالهای نبشی و ضخامت نبشی را نشان میدهند.
- گروه سپریهای T شکل
- گروه پروفیلهای Z شکل
- گروه میلگردهای فولادی که از مهمترین گروههای جدول اشتال هستند.
- گروه پروفیلهای توخالی مربع شکل، مستطیل شکل و دایره شکل
- گروه پروفیلهای سرد نورد شده که در سازههای سبک به کار میروند.
- انواع ورق و تسمه فولادی

مشخصات سایر پروفیلهای ساختمانی و همچنین جزئیات مقاطع لانهزنبوری به دو روش لیتسکا و پاینر نیز در این کتاب شرح داده شده است. از دیگر اطلاعات فنی و کاربردی موجود در این کتاب میتوان به جزئیات جوشکاری مانند بعد جوش و طول درز جوشهای استاندارد برای انواع جوشهای سازهای اشاره کرد. همچنین در مورد اتصالات فولادی مثل انواع پیچ و پرچها، جزئیات آنها شامل ابعاد، قطر و فاصله سوراخها نیز ذکر شده است.
در مواردی که لازم است از مقاطع دوبل استفاده کنیم در ضمیمه جدول اشتعال اطلاعات لازم برای برخی مقاطع دوبل نیز موجود است.
چگونه از جدول اشتال استفاده کنیم؟+روش استفاده از جدول اشتایل
چگونه از جدول اشتال استفاده کنیم؟ اگر سوال شما هم این است، در پاسخ به این سوال باید بگوییم ک برای آشنایی با راهنمای جدول اشتال، معمولاً به روش آزمونوخطا عمل میکنیم. مثلاً اگر در طراحی یک مقطع فولادی به مقدار سطح مقطع مشخصی نیاز داشته باشیم، با مراجعه به جدول اشتال، ابتدا نوع پروفیل موردنیاز را پیدا کرده و سپس در ستون مساحت به دنبال کوچکترین عددی میگردیم که بزرگتر یا مساوی مقدار فولاد موردنیاز ما باشد. سپس نمره پروفیل متناظر با همان سطح را بهعنوان جواب اولیه استفاده میکنیم.
راهنمای جدول اشتال کامل
در مرحله بعد کنترلهای لازم برای مقطع را با استفاده از سایر اطلاعات آن نمره انجام میدهیم. درصورتیکه جواب نداد از مقطع بالاتری استفاده میکنیم. از همین روش برای به دست آوردن حداقل آرماتور بهکاررفته در مقاطع بتن مسلح و به کار بردن بهینهترین حالت میلگرد گذاری نیز استفاده میشود. برای متره و برآورد مصالح ساختمان نیز با این جدول زیاد سروکار داریم.
مثلاً برای به دست آوردن وزن یک نوع پروفیل بهکاررفته در ساختمان تعداد و طول بهکاررفته از آن پروفیل را از روی نقشه استخراج کرده و سپس با استفاده از وزن مخصوص به ازای هر متر طول آن پروفیل که در جدول اشتال موجود است و ضرب این آیتمها در یکدیگر، وزن کل را به دست میآوریم. برای به دست آوردن وزن انواع پلیت بهکاررفته در صفحهستونها، سختکنندهها، قیدهای اتصال مقاطع دوبل و ... باید ابتدا حجم پلیت را بر اساس ابعاد آن به دست آورده و آن را در وزن مخصوص فولاد یعنی 7850 کیلوگرم بر مترمکعب ضرب نمود.

جدول اشتال یا جدول اشتایل؟
در پاسخ به سوال جدول اشتال یا جدول اشتایل؟ باید بگوییم که بیشتر کلمه "اشتال" در تمامی کتب و سایتها استفاده میشود که در برخی منابع به اشتباه کلمه "اشتایل" استفاده شده است.
اپلیکیشن جدول اشتال چیست؟
جدول اشتال دارای یک برنامه همراه نیز هست که به تازگی توسط برنامه نویسان تهیه شده است. برای دانلود اپ جدول اشتال در کافه بازار به وبسایت کافه بازار مراجعه کنید.
چگونه جدول اشتال pdf را دانلود کنیم؟
دانلود رایگان جدول اشتال یکی از مواردی است که امروزه مخاطبان توجه بسیاری نسبت به آن نشان میدهند؛ بنابراین در این بخش از مقاله آهنگر، لینک دانلود رایگان جدول اشتال pdf را برای شما قرار دادهایم. این pdf شامل جدول اشتال کامل و تمامی مقاطع فولادی تحت پوشش آن میشود. برای دانلود اینجا کلیک کنید.
درمجموع میتوان گفت جدول اشتال کامل (جدول اشتایل یا جدول اشتعال) یکی از بهترین و کاربردیترین هندبوک هایی است که درزمینهٔ عمران منتشرشده و در بسیاری از کشورها استفاده میشود. با دانلود جدول اشتال pdf میتوانید محاسبات متره پروژهتان را با سهولت بیشتری انجام دهید.