ناودانی یک مقطع فولادی پرکاربرد در ساخت و ساز و صنایع دیگر است که عمده استفاده از آن در ساخت پایه و قاب سازه، تابلوهای برق، ماشین آلات صنعتی و غیره دیده میشود؛ این مقطع فولادی انواع مختلفی دارد که به دستهبندیهای مختلف تقسیم میشود. به عنوان مثال انواع ناودانی از نظر وزن به 2 نوع سنگین و سبک، انواع ناودانی از نظر جنس به 2 نوع ساده و مشبک و از نظر روش تولید به 2 نوع فابریک و پرسی تقسیم میشوند.
ناودانی اغلب در دسته پروفیلها قرار میگیرد که پروفیلها نیز دارای 2 دسته باز و بسته هستند. از آنجایی که ناودانی از یک جان در وسط و 2 بال عمود بر جان در کنارهها تشکیل شده است، بنابراین در دسته پروفیلهای باز قرار میگیرد. علاوه بر تمامی انواع ذکر شده، 2 نوع ناودانی دیگر نیز وجود دارد که از نظر شکل ظاهری و وزن با یکدیگر تفاوت دارند. در این بخش قصد داریم تا کمی شما را با تفاوتهای ناودانی unp و upa آشنا کنیم. این 2 ناودانی در بیشتر مواقع با یکدیگر اشتباه گرفته میشوند که شما به عنوان یک فرد مرتبط با این حوزه باید تفاوتهای این 2 نوع ناودانی را بدانید.
ناودانی unp چیست؟
ناودانی unp دارای ضخامت بیشتری نسبت به ناودانی UPA است؛ این ناودانی اغلب وارداتی بوده و از کشور ترکیه و چین وارد ایران میشود. ضخامت بالای ناودانی unp باعث شده تا وزن بیشتری داشته باشد؛ وزن بالای این ناودانی نیز باعث شده تا از آن در پروژههای صنعتی و ساختمانی بزرگ استفاده شود. به دلیل وزن بالای این ناودانی، به آن ناودانی سنگین نیز گفته میشود. دلایلی چون وارداتی بودن، وزن و ضخامت بیشتر ناودانی unp موجب بیشتر بودن قیمت ناودانی آن نسبت به قیمت ناودانی در انواع دیگر شده است.
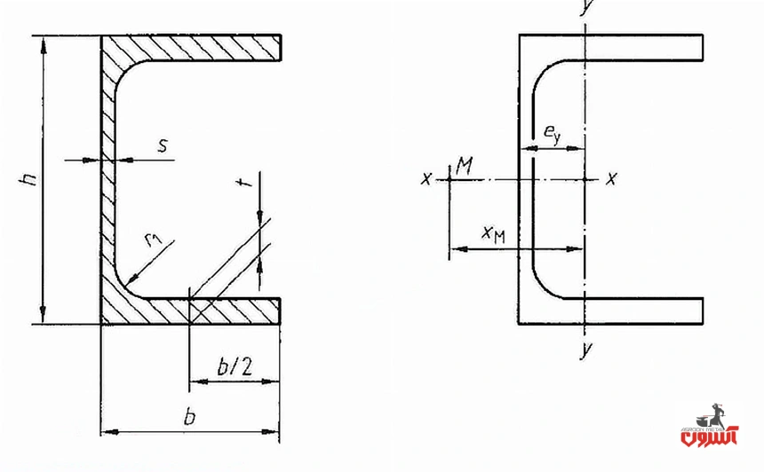
یکی دیگر از تفاوت های ناودانی unp با UPA، استاندارد تولید آن است؛ این ناودانی تحت استاندارد اروپایی DIN 1026-1 و در سایزهای 40 الی 400 میلیمتری تولید میشود. اگر بخواهیم به کاربرد این ناودانی اشاره کنیم باید بگوییم که از آن در بادبند، تیر، ستون و ساخت خرپا استفاده میشود. این ناودانی به ناودانی با بال شیبدار نیز مشهور است.

ناودانی upa چیست؟
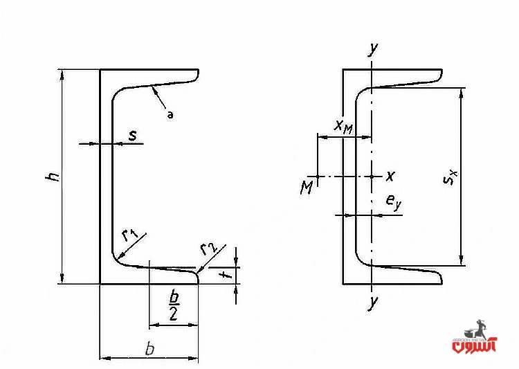
ناودانی upa، به نام ناودانی ایرانی معروف است که دلیل آن نیز تولید این ناودانی تحت استاندارد ملی و استاندارد آلمانی به شماره DIN 1026-2 است. ناودانی upa به دلیل ضخامت و وزن کمتری که دارد، بیشتر در پروژههای ساختمانی کاربرد دارد. به این ناودانی اصطلاحاً ناودانی سبک نیز گفته میشود و بالهای آن از ناودانی upn نازکتر بوده و مخروطی نیست. قیمت این نوع ناودانی، به دلیل سبک بودن وزن آن نسبت به نوع قبلی کمتر است؛ البته به یاد داشته باشید که قیمت هردوی این ناودانیها در آخر به قیمت آهن بستگی دارد.

تفاوت ناودانی upa و unp
در بخشهای قبلی هرکدام از ناودانیهای upa و unp را به صورت خلاصه معرفی کردیم؛ اکنون وقت آن است که به مقایسه آنها طبق برخی از پارامترها مثل وزن، ظاهر و غیره بپردازیم.
مقایسه ناودانی upa و unp از نظر وزنی
همانطور که گفته شد ناودانی upn سنگینتر از ناودانی upa است. اگر سری به جدول اشتال ناودانی upa بزنید متوجه میشوید که وزن واقعی ناودانی upa از وزن آن در جدول اشتال کمتر است. در ادامه با جدول وزن هردوی این ناودانیها آشنا می شوید:
جدول وزن و مشخصات ناودانی unp (ناودانی گرم نوردیده بال شیبدار سنگین)
|
سایز ناودانی
|
طول جان h-mm
|
طول بال b-mm
|
ضخامت جان s-mm
|
ضخامت بال t-mm
|
شعاع انحنای r1 mm
|
شعاع انحنای r2 mm
|
مساحت سطح مقطع cm2
|
وزن واحد طول Kg/m
|
|
30x15
|
30
|
15
|
4
|
4.5
|
4.5
|
2
|
2.21
|
1.74
|
|
30
|
30
|
33
|
5
|
7
|
7
|
3.5
|
5.44
|
4.27
|
|
40X20
|
40
|
20
|
5
|
5.5
|
5.5
|
2.5
|
3.66
|
2.87
|
|
40
|
40
|
35
|
5
|
7
|
7
|
3.5
|
6.21
|
4.87
|
|
50x25
|
50
|
25
|
5
|
6
|
6
|
3
|
4.92
|
3.86
|
|
50
|
50
|
38
|
5
|
7
|
7
|
3.5
|
7.12
|
5.59
|
|
60
|
60
|
30
|
6
|
6
|
6
|
3
|
6.46
|
5.07
|
|
65
|
65
|
42
|
5.5
|
7.5
|
7.5
|
4
|
9.03
|
7.09
|
|
80
|
80
|
45
|
6
|
8
|
8
|
4
|
11.0
|
8.64
|
|
100
|
100
|
50
|
6
|
8.5
|
8.5
|
4.5
|
13.5
|
10.6
|
|
120
|
120
|
55
|
7
|
9
|
9
|
4.5
|
17.0
|
13.4
|
|
140
|
140
|
60
|
7
|
10
|
10
|
5
|
20.4
|
16.0
|
|
160
|
160
|
65
|
7.5
|
10.5
|
10.5
|
5.5
|
24.0
|
18.8
|
|
180
|
180
|
70
|
8
|
11
|
11
|
5.5
|
28.0
|
22.0
|
|
200
|
200
|
75
|
8.5
|
11.5
|
11.5
|
6
|
32.2
|
25.3
|
|
220
|
220
|
80
|
9
|
12.5
|
12.5
|
6.5
|
37.4
|
29.4
|
|
240
|
240
|
85
|
9.5
|
13
|
13
|
6.5
|
42.3
|
33.2
|
|
260
|
260
|
90
|
10
|
14
|
14
|
7
|
48.3
|
37.9
|
|
280
|
280
|
95
|
10
|
15
|
15
|
7.5
|
53.3
|
41.8
|
|
300
|
300
|
100
|
10
|
16
|
16
|
8
|
58.8
|
46.2
|
|
320
|
320
|
100
|
14
|
17.5
|
17.5
|
8.75
|
75.8
|
59.5
|
|
350
|
350
|
100
|
14
|
16
|
16
|
8
|
77.3
|
60.6
|
|
380
|
380
|
102
|
13.5
|
16
|
16
|
8
|
80.4
|
63.1
|
|
400
|
400
|
110
|
14
|
18
|
18
|
9
|
91.5
|
71.8
|
جدول وزن و مشخصات ناودانی una (ناودانی گرم نوردیده بال موازی سنگین)
|
سایز ناودانی
|
طول جان h-mm
|
طول بال b-mm
|
ضخامت جان s-mm
|
ضخامت بال t-mm
|
شعاع انحنای r1 mm
|
شعاع انحنای r2 mm
|
مساحت سطح مقطع cm2
|
|
80
|
80
|
50
|
4
|
7
|
10
|
10.1
|
7.9
|
|
100
|
100
|
55
|
4.5
|
7.5
|
10
|
12.5
|
9.82
|
|
120
|
120
|
60
|
5
|
8
|
12
|
15.4
|
12.1
|
|
140
|
140
|
65
|
5
|
9
|
12
|
18.4
|
14.5
|
|
160
|
160
|
70
|
5.5
|
9.5
|
12
|
21.7
|
17.0
|
|
180
|
180
|
75
|
5.5
|
10.5
|
12
|
25.1
|
19.7
|
|
200
|
200
|
80
|
6
|
11
|
13
|
29.0
|
22.8
|
|
220
|
220
|
85
|
6.5
|
12
|
13
|
33.9
|
26.6
|
|
240
|
240
|
90
|
7
|
12.5
|
15
|
38.5
|
30.2
|
|
270
|
270
|
95
|
7.5
|
13.5
|
15
|
44.8
|
35.2
|
|
300
|
300
|
100
|
9.5
|
15
|
15
|
56.6
|
44.4
|
|
330
|
330
|
105
|
11
|
16
|
18
|
67.8
|
53.2
|
|
360
|
360
|
110
|
12
|
17
|
18
|
77.9
|
61.2
|
|
400
|
400
|
115
|
13.5
|
18
|
18
|
91.9
|
72.2
|
مقایسه ناودانی upa و unp از نظر ظاهری
مهمترین تفاوت بین این 2 نوع ناودانی، ظاهر آنهاست؛ ناودانی upa دارای بالهای موازی و ضخامت نازک و ناودانی unp دارای بالهای شیبدار باضخامت بیشتر است که در تصویر میتوانید زیر سطح مقطع آنها را در کنار یکدیگر مشاهده کرده و تفاوت ظاهری آن ها را بیشتر درک کنید:

مقایسه ناودانی upa و unp از نظر استحکام و قیمت
از نظر استحکام، ناودانی unp مقاومت بیشتری نسبت به ناودانی upa دارد که دلیل آن دلیل وزن بالا و ضخامت این نوع ناودانی است. همچنین به همین دلیل، قیمت آن نیز از نوع upa بیشتر است. دلیل دیگر بالا بودن قیمت نوع unp ، وارداتی بودن آن است.
ناودانی به عنوان یک عضو ثابت در ساخت و ساز و یک عضو مهم در صنایع دیگر، انواع مختلفی دارد که باید مشخصات هریک از این موارد آشنا شوید؛ در این متن نیز با ناودانی unp و upa و تفاوتهای آنها آشنا شدید.